Вы можете выбрать нужный товар из каталога.
Быстроразъёмное соединение БРС (BRS NKT НКТ) – элемент соединения шлангов, рукавов, различных частей промышленного оборудования, позволяющее произвести быстрое снятие или установку.
Соединение быстроразъемное БРС 2,5" (2,5 дюйма) предназначается для соединения труб, рукавов, быстрого соединения и разъединения трубопроводов высокого давления (ТВД ), соединения тройников, угольников, колен шарнирных. Используются на емкостях различного назначения.
БРС 2,5 используют при обслуживании в жестких климатических условиях трасс и скважин нефтепроводов. Быстроразъемные соединения изготавливаются из материалов (сталь 09Г2С, 13ХФА, 45), стойких к агрессивным химическим веществам, воде, газам, масляным рабочим средам.
Предлагаем выгодно купить БРС 2,5 с условным проходом Ду 65. Конструкция БРС Dn 65 мм не требует при монтаже применения специального инструмента и проста в использовании. Давление рабочее БРС 2,5" 40 МПа (Pn-40 МПа) или 400 атм. (Возможно исп. на 70 МПа)
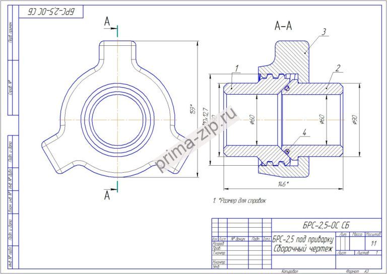
Возможно соединение БРС 2,5" под приварку (приварка встык или приварка внахлёст (с проточкой под трубу)) и с различным исполнением резьбы НКТ 73, NPT и пр. Резьба по ГОСТ 6211-81 , ГОСТ 633-80.
Гайка на БРС 2,5" выполнена из кованной заготовки (сталь 40Х) и имеет повышенные прочностные характеристики.
Соединительная резьба БРС 2,5" в стандартном исполнении Cn.Tr. 110x12,7, либо американский стандарт СпТг136,525х7,257.
|
Обозначение |
P раб, МПа |
Сечение, мм |
Тип присоединения, резьба ГОСТ |
Масса, кг |
|
2.5" |
40 |
65 |
ГОСТ 633-80,
ГОСТ 6211-81, под приварку ст20, 09г2с, возможно изготовление присоединительных резьб по API Cn.Tr.104х8,467 (API) Cn.Tr. 110x12,7 |
6 |
Соединение быстроразъемное БРС 2,5" NKT 73х2,5
Поделиться страницей:

