Каталог товаров
Избранное
Корзина

штанговращатель ШВР 08.000

51 880 руб.
Подробнее
Уточняйте наличие

ВНИМАНИЕ! Мы работаем с физическими и юридическими лицами!

Как получить товар:
  • 1Доставка ТК "Деловые Линии".
  • 2Доставка ТК "СДЭК" .
  • 3Самовывоз по адресу : г.Москва, ул.Мироновская 2
  • 4Другой вариант доставки .

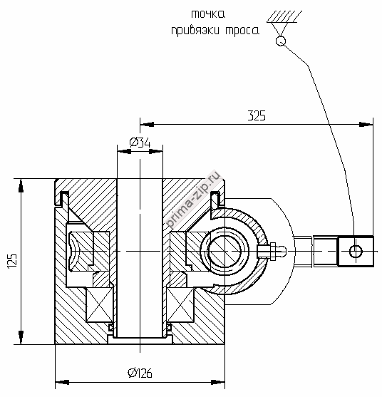
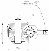
ШТАНГОВРАЩАТЕЛИ ШВР
 
Предназначен для поворота штанговой колонны при добыче нефти скважинными штанговыми насосами. Использование ШВР позволяет:
  • Исключить отворачивание резьбовых соединений колонны насосных штанг;
  • Обеспечить равномерный износ плунжера и цилиндра скважинного штангового насоса;
  • Обеспечить равномерный износ штанговой колонны;
  • Увеличить срок службы насосных штанг на искривленных участках скважины за счет постоянного изменения положения напряженных слоев тела штанги;
  • Эффективно бороться с отложениями парафина в насоснокомпрессорных трубах в случае использования насосных штанг, оснащенных скребками-центраторами.

 

 Cтандарт ТУ 3665-006-00217515-95
 Диаметр отверстия под шток, мм 32
 Крутящий момент, КГСх М 9
 Допустимая статическая нагрузка, кгс 14000
 Угол поворота за один двойной ход,  градусов 2,2
 Масса, кг 18,5 13,5
 Конструктивные особенности Поворот рычага тросиком Поворот рычага от толкателя
 Диаметр корпуса, мм 140 121

 

штанговращатель ШВР 08.000


Поделиться страницей:

Вы смотрели