Вы можете выбрать нужный товар из каталога.
ШАРОВОЙ КРАН 11ЛС45П ДЛЯ ГАЗОПРОВОДОВ И СЛАБОАГРЕССИВНЫХ СРЕД
Модель 11лс45п с ручным управлением, электрическим или пневматическим приводом используется при создании компрессорных станций, ответвлений, хранилищ и для установки на участки трубопроводов с природным газом, в которых требуется надежно перекрыть поток. В затворе используется пластиковое уплотнение (эластомер), которое обеспечивает герметичность класса А. Изделие позволяет недорого оборудовать газопровод и надежно перекрывать канал при необходимости.
Преимущества конструкции:
- Корпус с минимумом швов снижает опасность утечки.
- Для уплотнения используется специальный износостойкий и устойчивый к химическому воздействию эластомер.
- Седла автоматически поджимаются к пробке, обеспечивают герметичность затвора.
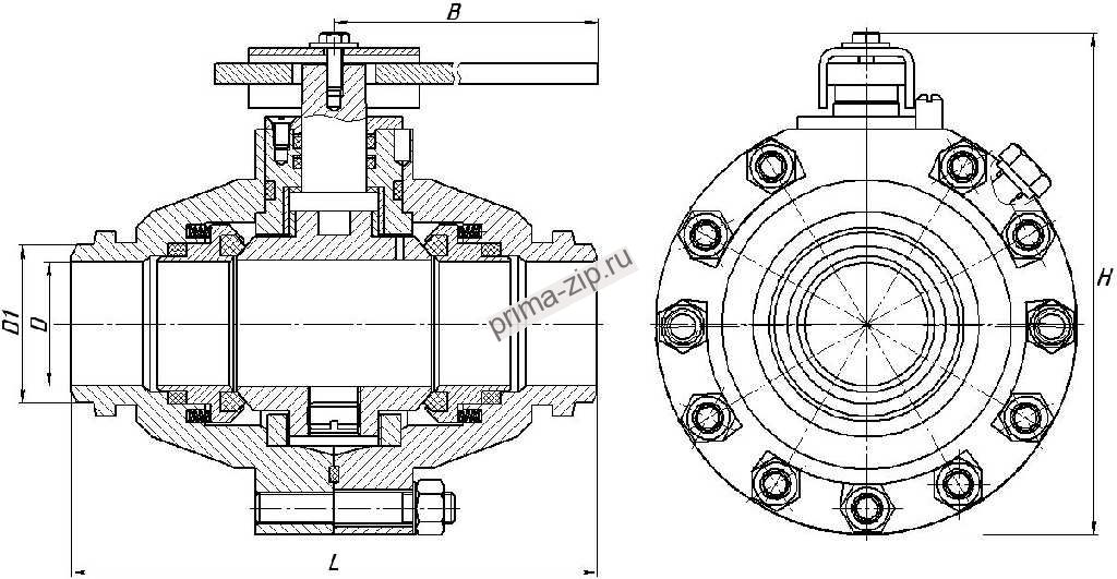
ХАРАКТЕРИСТИКИ 11ЛС45П
|
Климатическое исполнение |
У (11с45п) ХЛ (11лс45п) |
|
Длина детали, L |
200 мм |
|
Высота с вентилем, H |
185 мм |
|
Диаметр корпуса, B |
160 мм |
|
Масса |
15 кг |
Материалы деталей:
|
Пробка |
09Г2С + хромирование толщиной 30 мкм |
|
Шпиндель |
40Х, 40ХН, 20ХН3А + хромирование толщиной 30 мкм |
|
Уплотнение |
Эластомер |
Кран шаровой 11лс45п
Поделиться страницей:

