Вы можете выбрать нужный товар из каталога.
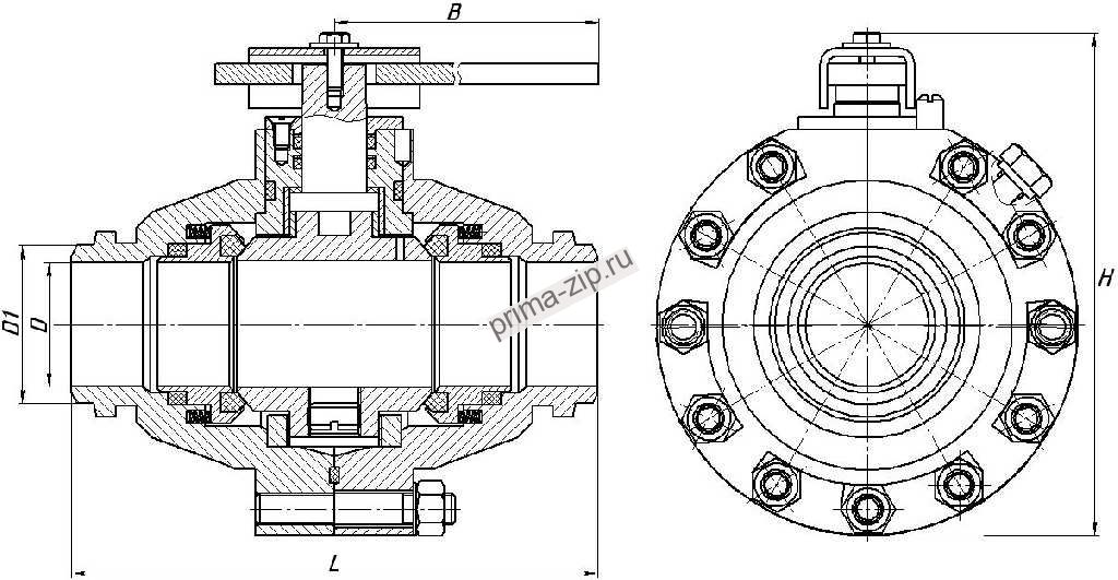
Кран шаровой 11лс645п DN 80/50, PN 16.0 МПа сопровожается техническим паспортом, сертификатом таможенного союза, свидетельством об изготовлении, руководством по эксплуатации и разрешением Ростехнадзора на применение.
Технические характеристики:
Тип арматуры, обозначение: кран шаровой 11лс645п
Диаметр: 80/50 мм
Давление: 16.0 МПа
Климатическое исполнение:
УХЛ (умеренное)
Рабочая среда: газообразные среды
Температура рабочей среды: от -45° до +50°
Тип управления: пневмопривод
Присоединение к трубопроводу: под приварку
Материал корпуса изделия: легированная сталь марки 09Г2С
Кран шаровой 11лс645п
Поделиться страницей:


