Вы можете выбрать нужный товар из каталога.
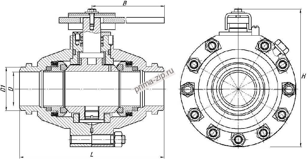
Кран шаровой 11лс645п1 с ручным управлением, пневмоприводом или электроприводом DN 50, 80/50, 80, 100 мм PN 8.0, 10.0, 16.0 МПа
Шаровые краны применяются в качестве запорного устройства на технологических линиях по транспортировке неагрессивного природного газа и других неагрессивных сред с температурой от –60 до +80 °С.
Герметичность затвора – по классу А (ГОСТ Р 54808-2011).
Присоединение к трубопроводу – под приварку, фланцевое, фланцевое с ответными фланцами.
Климатическое исполнение:
- умеренное (температура окружающей среды от –45 до +50 °С);
- холодное (температура окружающей среды от –60 до +40 °С).
Сейсмичность районов эксплуатации по 12-балльной шкале MSK-64 – до 9 баллов.
Краны изготавливаются различных модификаций: с ручным управлением, пневмоприводом и электроприводом. Возможна комплектация кранов электроприводами различных производителей.
Шаровые краны с пневмоприводами комплектуются блоками управления:
- ЭПУУ-7-4 (24 В) или ЭПУУ-7-5 (110 В) для DN 50 мм, PN 8.0, 10.0 МПа;
- ЭПУУ-7-7 (24 В) или ЭПУУ-7-8 (110 В) для DN 80, 100 мм, PN 8.0, 10.0 МПа;
- ЭПУУ-8 (24 В) или ЭПУУ-8-1 (110 В) для DN 50 мм, PN 16.0 МПа;
- ЭПУУ-8-2 (24 В) или ЭПУУ-8-3 (110 В) для DN 80, 100 мм, PN 16.0 МПа.
Возможна комплектация другими блоками управления.
Тип установки – надземная или подземная.Шаровые краны устанавливаются соосно с трубопроводом. Краны с ручным управлением допускается устанавливать в любом пространственном положении, краны с пневмоприводом и электроприводом – на горизонтальных участках трубопровода приводом вверх.
Поделиться страницей:

